![]() |
|
|
|
|
||
|
Guy
van Rentergem is a Belgian national who has caved
extensively in
Jamaica.
He is
personally responsible for several cave maps
produced in Jamaica. His mapping work at Green Grotto, the most
widely known example, is only one of many similar creations. Guy, in participation with the Jamaican Caving Club, was instrumental in five major expeditions, mapping and exploring, prior to his linking with the JCO in 2004. During these sessions he was one of the first to introduce Single Rope Technique to Jamaica, thereby helping to usher in a new era in Jamaican caving. JCO Jamaica Caving Information: http://www.jamaicancaves.org/ |
||
|
|
||
| Before Guy tells you everything about his 2009 exploration where they used rebreathers it might be interesting to read more about the St. Clair Cave. They explored the cave in 2005 and continued in 2006. This second exploration asked for breathing equipment that guy and friends build themselves. Here you find the webside that describes the beginning of this story: LINK | ||
|
||
|
||
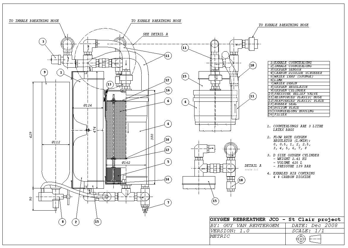
Exploring the Acheron with a home build rebreather
By Guy Van Rentergem JCO 2009 © |
||
Transporting and assembly of the rebreathers
Logistics for the rebreathers was
something on its own. No high pressure gasses are allowed on
airplanes. So a source of oxygen had to be found in Jamaica. Another
problem was the absorber for the carbon dioxide. The scrubbers were
build to contain 5.5 kg absorber each.
So we needed minimal 11 kg absorber. Even when this product
would have been allowed on the plane, bringing all these extra kilos
would have been costly. Luckily all these logistic nightmares were
wonderfully handled by Jan for whom I'm very grateful.
The assembled rebreathers are rather
bulky and couldn’t be put in the luggage like that. So the
rebreathers where disassembled in loose parts and stowed away in the
scrubber and in the counterlungs protective case. The frame itself
was easily put in the luggage. The rebreathers where also
disassembled because of the extra questions we could expect at the
customs. To be honest when assembled they look like some sort of a
doomsday machine.
Once we where in Jamaica each rebreather
was assembled in less than 2 hours. They where tested by submerging
in the swimming pool and pressurize them. Only one minor leak was
detected at one of the mouthpieces which was easily fixed. Also the
over pressure valves were tested like this and did their work well. |
||
|
||
Carrying the rebreathers into St Clair
It's Wednesday 18 March 2009 and we are standing at
the entrance of St Clair Cave. The walk to the cave was easier than
last time. There is a new track which is a shortcut over a hill.
This is a relieve in comparison with the old trail which followed
the boulder covered dry Black River bedding. Today the team counts
six people: Stef, Jan, Andrew, Douglas, Kurt and me. The goal is to
carry both rebreathers and all the extra gear as far as possible
into the St Clair Cave.
An oxygen sensor is calibrated at the entrance at
20.9 % oxygen. Then we descend into the cave with all our gear. In
no time we are in the Junction Room at the entrance of the Inferno.
To my surprise the oxygen level here is still 20.9 % at a
temperature of 25 degrees Celsius. To enter the Inferno we have to
wade through relative deep water. After the big rock, which guards
the Inferno as a sentinel, the oxygen level starts to drop. The
further we go into this gallery the more bats we see. There are
thousands and thousands of bats hanging in thick packs at the
ceiling. The sound of this massive amount of animals is more than
impressive. From time to time we wade through hip high murky guano
infested water with floating dead bats and everywhere we place our
hands and feet there are the ever present cockroaches. Their number
must be in the millions. The temperature rises more than six degrees
Celsius while traversing this hell. When we reach the end of the
Inferno the oxygen level has dropped to 15.6 %. So we can assume
there is 5.3 % carbon dioxide in the air! And indeed we all feel the
poisoning effects of the carbon dioxide. Our breathing is very rapid
and carrying our load (for me this is a 17 kg rebreather, a bag with
survey gear and a camera) is becoming a burden.
At the end of the Inferno we have to climb a
perilous steep slope covered with a very thick layer of guano. This
is followed by a 4 meter drop with muck covered rocks. The passage
continues through a small horizontal crevice where at last a wider
passage is reached, we are in the Inferno+. The rebreathers get some
serious beating pulling and pushing them through these boulders. I
hope they are still OK. Once in the Inferno+ I check the air again
and read 14.4 % oxygen! This means there is more than 6.5 % carbon
dioxide, too much to be good if you ask me. With a lot of effort and
gasping after air we finally reach the entrance of the Limbo
chamber. The oxygen level stays at 14.4 %.
This low oxygen level is a real setback for us.
During the discovery of the Acheron in 2006 the air was breathable
just into the entrance of the Acheron. Now the bad air begins much
earlier and in fact contaminates the complete Inferno+! This means
we will have to strap on our rebreathers much earlier than planed
and we will have to crawl through some very restrictive passages in
the Limbo before reaching the Acheron. I wonder how this is going to
work...
But today it has been enough for us. We are all
exhausted and really want to get out of this cave as fast as
possible. We drop the rebreathers and other stuff on the slope
leading to the Limbo and start our retreat out of this cave. Without
the heavy load this goes easier than expected and we pass quickly
through the boulders marking the passage between the Inferno and
Inferno+. The further we get out of the Inferno the better the air
gets and at last we are breathing normal air again. The heavy
exhaustion we had in the Inferno+ is only a bad memory and after
some Red Stripes we are ready for tomorrow to begin the exploration
of the Acheron. |
||
|
||
Exploring the Acheron with the rebreathers
Next day we go back to where we left the rebreathers.
Today the team counts 5 people. Yesterday Douglas had to go back to
Kingston. I mount the regulators on the rebreathers and do a
thorough checkup, they seem to be OK.
To get into the Limbo an awkward climb has to be made. This
can't be done with the rebreathers. So we climb without them into
the Limbo and the rebreathers are hoisted up the ledge. Here we put
the rebreathers on our back and open the oxygen valve. We set the
oxygen flow to 1 liter/minute. The oxygen hisses and fills the
counter lungs. Kurt and I put the mouthpieces in our mouths and
breathe pure oxygen. We try to get through this chaotic chamber by
following the left wall. But there are some very narrow passages
between some huge rocks and as expected we soon are stuck and have
to retreat. The rebreathers are too big! After careful
consideration, Kurt and I decide to risk it and go through the small
passages without the rebreathers and pull them through with the help
of the others. Easier said than done but at last we are at the other
side of these damned blocks and mount again our rebreathers. Here I
want to say that Andrew was a real star. Without his help and
courage we wouldn't have managed to pull the rebreathers through the
Limbo. Thanks Andrew!
A last farewell to Andrew, and Kurt and I are on our
own. The oxygen level in this place is 14 %. We leave the rocks
behind and continue our journey downhill on a sandy slope. At last
we reach the low Arch before the Acheron. The oxygen level here is
only 11.1 %. Very strange but we still see some bats flying around.
How they can sustain this foul air is a mystery to me.
We slip under the Arch and are entering the Acheron.
At once the oxygen level tumbles to 7.9 %! Here we are standing in a
natural sewer collecting the waste water of the Worthy Park sugar
factory in Lluidas Vale. The composition of sewer gas includes:
nitrogen, hydrogen sulfide, carbon dioxide, methane, ammonia, water
vapor. No bats or cockroaches are seen. One thing is sure, one
breath of this foul mixture and we are dead! |
||
|
||
|
||
|
||
|
A kind of primitive fear creeps into my mind. If
something goes wrong we die. No one can hear us and no one will
rescue us. We are on our own. And of all my duties I wanted to do,
like surveying, filming, photographing, exploring... only one is
left. Staying alive and getting out of this Hell Hole! We are now
completely dependant on the rebreathers. The things I designed and
build my self. Where did I get the nerve for doing this...? Am I mad
or so? What am I doing here? Why am I taking Kurt into this shit
hole? These are some of the thoughts which flash through my mind.
But the rebreathers do their work magnificently, even after the
severe beating they already got. We descend into the Acheron and
concentrate on breathing and staying alive.
We search our way through a chaotic riverbed with
very sharp rocks. This 3-4 meter wide river is at some place knee
deep and I feel the force of the water. I can barely keep my
balance. And then we reach a black pool of water stretching into the
glooming dark. This is a bit too much for me. The idea of going into
that dark stinking water with the rebreather is beyond my state of
mind now. Yes it stinks! We don't use the nose clips (because we
didn't find them back at the Limbo...) and sometimes a waft of this
foul mixture enters our nose. And be sure, it smells! A massive
sewer stench. We really don't need the uncomfortable nose clips to
remind us to breath through our mouth.
Here at beginning of this black pool at my right
side there is a passage going up with white sand. It looks like the
passage to the Arch. Possible it continues but I don't find the
force anymore to explore it. I want to get out of here as quick as
possible, out, out, OUT... A quick glance at my buddy tells enough
and we both turn around and begin our dreadful journey back to the
sun. The sandy slope just behind the Arch is incredible. We find no
grip on this steep loose sands and it looks like we are trapped here
for ever. With a mighty swoop to the left I manage to get over this
obstacle. This makes me completely breathless and it takes some time
to get my wits back. I only concentrate on my breathing and hear the
constant hissing of the oxygen supply and the Darth Vader like
sounds from the air rushing through the hoses and counterlungs. Kurt
seems to be in the same state like me. After some minutes (our
hours?) we find back our strength and continue the climb to the
Limbo. I really don't want to repeat our ordeal crawling through
these massive blocks with a rebreather in my neck. The moment I see
the oxygen level at 14 % I pull out the mouthpiece and take of the
rebreather. This surprises Kurt. But since I don't fall dead he does
the same.
A blast of the air horn warns the others we are
still alive. We scramble through the fissures in the Limbo and then
my waist strap of the rebreather tears apart. For crying out loud!
Luckily this didn't happen earlier. This won’t make things any
easier for me. And I can assure you it was extreme hard. But first
back again to the Limbo. Man, I was so happy to see Stef, Jan and
Andrew again. And they all seem to be in relative good shape too.
Although we have done the Acheron I'm sure they have had their part
of the misery. Waiting hours till those two madmen return, if they
ever return... This in an area with more than six percent carbon
dioxide and full with cockroaches. It wasn't exactly sitting at a
café with some cool Red Stripes…
Now we have to get out all the gear with five
persons instead of the six we had yesterday. Everyone take their
fair deal and off we start to the surface. But we still have to
crawl through the breakdown between the Inferno+ and Inferno. And I
can tell you it was horrendous. Exhausted as we are it takes ages to
find our breath back after each maneuver. Sometimes we are sitting
for minutes just panting like a dog before our will returns to
tackle the next obstacle. But somehow we manage to advance slowly
further till we are all in the Inferno again. We just sit down in
the deep shit and let us slide down the steep slope. Here the air
quality gets a bit better again and slowly the further we leave
behind the Inferno+ the stronger we get again. After I don't know
how long we are all standing again at the entrance of the Inferno in
the Junction Room, breathing normal air again. Everyone looks dead
beat but somehow we are all happy and proud on what we have
accomplished.
When we leave the cave it is still day. Luckily it
is cloudy. The sun would have grilled us walking up the hill again.
But she isn't out. So the temperature is nice and we all reach
Maria's bar in good form. After quaffing a certain amounts of Red
Stripe and peeling of our dirty clothes and some elementary washing
we all climb in Jan's Landrover at dusk. We drive back to Kingston
to get some rest and prepare the rest of the expedition.
|
||
|
||
|
||
![]() |
||
|
||
Afterthoughts
My first thought clambering out of this hell hole
was never again! But since I've been fed well and drank enough Red
Stripes the idea of going back is taking the upper hand again. Never
say never again...
The rebreathers did work wonderfully well but need
some rework. They are too oversized and to heavy. They should be
scaled down and weigh maximum 13 kg. Also the way the internal
oxygen sensor is mounted into the system should be more secure. They
have the tendency to unscrew which is something which must be
avoided at all cost. The manipulation of the oxygen regulator is
also a point of concern. Sometimes we where so confused we didn't
know anymore which way was open or close. Only when we heard the
hissing becoming louder we knew we were turning the thing open.
The construction itself was caveproof. These
rebreathers have been put through a very severe beating and nothing
cracked or broke down. For which I am very glad.
I also want to express my deepest gratitude to all
who has joined in this crazy endeavor. Thank you Stef, Jan, Andrew,
Douglas and not the least my brother in crime Kurt. Without you guys
it would have been impossible. Thanks!
I also have to thank Hilde and my daughters Lien and
Tina for their patience with me. I know it’s not easy to live with a
madman making rebreathers under one roof. Many thanks! |
||
| Pictures by by Guy van Rentergem and Kurt Garrez JCO 2009 | ||
| JCO Jamaica Caving News: http://www.jamaicancaves.org/news.htm | ||
|
More information about the work done by Guy van Rentergem can be
found on
his website,
Caving in Jamaica.
This valuable site supplies information that is essential for anyone
with an interest in the caves of the island. |
||
| Text by Guy van Rentergem | ||
| A big thank you to Guy for allowing me to publish this great story and photo's! | ||
| published 15-04-09 | ||
| UPDATE 24-08-2009 | ||
![]() |
||
| click for large plan | ||
![]() |
||
| click for larger Process Chart | ||
| Please sign my Guestbook | ||
| Email: jw.bech@quicknet.nl | ||
Yesterday I received this great story from Guy van
Rentergem who used his homebuild oxygen rebreathers to explore the St. Clair
Cave in Jamaica. During their expedition oxygen levels dropped to 7,9 %! The
cave was crowded with bats and chemicals. Read about the adventures of the
Jamaican Caves exploration!
